Купить амортизационная стойка практик 200 в Екатеринбурге
- 4 х 2800 руб.
Предназначена для установки под креслом водителя плавсредства, а также под креслом пассажира. Служит для увеличения комфортности эксплуатации, за счёт снижения ударных нагрузок на позвоночник.
Стойка предназначена для установки на катера длиной до 5 метров, либо на катера с низким ветровым стеклом.
Что нового:
Мы изменили основание стойки. Теперь стойка совместима с отверстиями оснований Springfield. Больше не нужно сверлить новые отверстия для установки, достаточно выкрутить штатную закладную, вкрутить нашу стойку и готово!
Мы заменили амортизатор 165 мм на амортизатор 190 мм (шток с пружиной), благодаря чему увеличился ход стойки.
С обновленной Практик 200v2 можно не бояться за здоровье спины и комфорт судоводителя. Стойка прекрасно выполняет амортизационные функции и при спокойной езде, и при езде на больших скоростях!
Технические характеристики:
Полезная нагрузка - 70-120 кг
Регулировка жесткости
Вес - 5,5 кг
Рабочий ход - 70 мм
Высота - 200 мм
Материал - Сталь3сп5 4мм (оцинкованная)
Цвет: серый
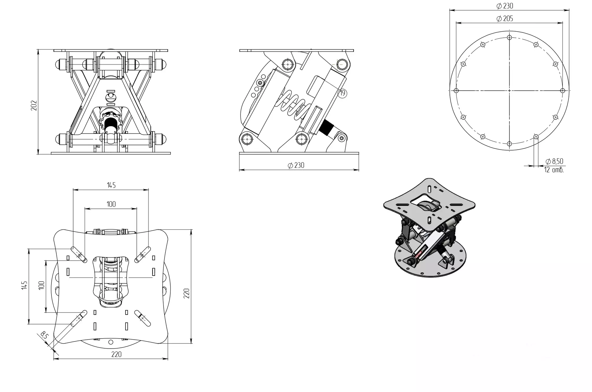
Полные габариты изделия см. чертеж в фото.
Комплект поставки:
Стойка, крепёж, инструкция.
Заводская упаковка:
Картонная коробка, полиэтиленовый рукав.
Габариты 350х260х140, вес 5,5 кг
Для юридических лиц
Мы предоставляем возможность приобретения продукции с НДС и без НДС. При поставке товара предоставляется полный комплект закрывающих документов.
Для отдельных условий поставок, участия в тендерах и Госзакупках фз -44. Ваш запрос вы можете отправить на электронную почту director@gorizont-ural.ru
Для физических лиц
Наличный расчет
Произвести оплату наличными, курьеру при доставке товара (данный способ действует при доставке на территории Свердловской области).
При отправке товара в транспортной компанией оплатить заказ можно в офисе компании.
Online-оплата на сайте
При оформлении заказа — укажите способ оплаты «Onlaine-оплата на сайте», после согласования наличия, комплектации продукции и способа доставки. Вам будет направлена ссылка на терминал для оплаты.
Оплата происходит через ПАО СБЕРБАНК с использованием Банковских карт следующих платежных систем:
- МИР
- VISA International
- Mastercard Worldwide
Для оплаты (ввода реквизитов Вашей карты) Вы будете перенаправлены на платежный шлюз ПАО СБЕРБАНК. Соединение с платежным шлюзом и передача информации осуществляется в защищенном режиме с использованием протокола шифрования SSL. В случае если Ваш банк поддерживает технологию безопасного проведения интернет-платежей Verified By Visa или MasterCard SecureCode для проведения платежа также может потребоваться ввод специального пароля.
Настоящий сайт поддерживает 256-битное шифрование. Конфиденциальность сообщаемой персональной информации обеспечивается ПАО СБЕРБАНК. Введенная информация не будет предоставлена третьим лицам за исключением случаев, предусмотренных законодательством РФ. Проведение платежей по банковским картам осуществляется в строгом соответствии с требованиями платежных систем МИР, Visa Int. и MasterCard Europe Sprl.
Безналичный расчет через любой банк. (оплата по счету)
После оформления заказа, по электронной почте или факсом высылается счет на оплату.
Примерный срок перевода денег между банками составляет не более 2-3 рабочих дней. При оплате банковского перевода возможен комиссионный сбор банка за перевод денежных средств.
Счет, для оплаты в любом банке, работающем на территории РФ, высылает менеджер на указанную покупателем электронную почту, после обсуждения всех параметров и подтверждения заказа или после согласования способа доставки. Счет выставляется полностью заполненным, с указанием суммы платежа, Вашими данными и реквизитами компании.
Удобная услуга, покупка товара в кредит.
После заполнения простой формы покупки в кредит, с Вами свяжется менеджер, для уточнения параметров заказа и способа доставки. По уточнению всех параметров и пожеланий, заявка будет рассмотрена банками-партнерами. О принятом решении Вам сообщат до конца дня.
Сумма процентных ставок рассчитывается индивидуально (зависит от срока кредита, первоначального взноса, кредитной истории и других параметров. Подать заявку на кредит можно в карточке соответствующего товара или по ссылке "купить в кредит"
- Без справок, имея только паспорт
- Без похода в банк
- Сумма до 500 000 рублей
- Возможность бесплатного досрочного погашения
Беспроцентная рассрочка на товар от банков партнеров (стоимость товара без скидки)
Альфа Банк и банки партнеры (биржа кредитов)
- 50-0-6 Беспроцентная рассрочка на товар стоимостью от 20 000 руб. срока на 6 месяцев первоначальный взнос 50%
- 0-0-4 Беспроцентная рассрочка на товар стоимостью от 10 000 руб. срока на 4 месяца первоначальный взнос 0%
- 40-0-4 Беспроцентная рассрочка на товар стоимостью от 15 000 руб. срока на 4 месяца первоначальный взнос 40%
- При оформление рассрочки, скидки и акция бесплатная доставка на товар не действуют.
Мы доставляем заказы 7 дней в неделю, 24 часа в сутки по всей России и ближнее зарубежье.
Доставка по России транспортной компанией:
Отгрузки продукции осуществляются со складов (г. Москва, г. Санкт-Петербург, г. Екатеринбург, г. Хабаровск по наличию продукции на складах при максимально близком расположение к пункту доставки)
Транспортные компании:
GTD, Е-КиТ, ПЭК, Деловые линии, Энергия, DPD, Ратек, Луч и.др
В республику Саха/ города Якутии, Норильск
Доставка по спец. тарифам авиаперевозок ТК «АТА»
- Заказ оплачивается предварительно любым удобным для Вас способом, после поступления оплаты заказ отправляется на следующий день;
- Доставка до терминала транспортной компании бесплатна;
- Услуги транспортной компании оплачивает покупатель. (за исключением свойства товара бесплатная доставка*);
- Вся отправляемая продукция подлежит бесплатному страхованию;
- Мы даем гарантии, что вся продукция сертифицирована, для Вас будет сформирован полный комплект документов (инструкция по эксплуатации, кассовый и товарный чеки, и заполненный гарантийный талон со штампами).
Доставка наложенным платежом (оплата при получение)
Доставку производит транспортная компания СДЕК, КиТ, DPD
- Отправляется продукция стоимостью до 70 000 руб.;
- Не отправляется техника требующая заполнения ПТС и ПСМ;
- Скидка указанная на сайте не распространяется на данный вид отправки;
- Предварительно оплачиваются сумма в размере транспортные расходов, но не менее 10% от стоимости товара;
- Доставка до терминала транспортной компании бесплатна;
- Отправляется продукция только со свойством в наличие со склада Екатеринбург;
- Вся отправляемая продукция подлежит страхованию;
- Мы даем гарантии, что вся продукция сертифицирована, для Вас будет сформирован полный комплект документов (инструкция по эксплуатации, кассовый и товарный чеки, и заполненный гарантийный талон со штампами).
Доставка курьером
- Доставка курьером осуществляется по городу Екатеринбург и городам Свердловской области;
- Стоимость доставки курьером в г. Екатеринбург составляет - 300 руб. если стоимость заказа превышает 2 000 руб. доставка бесплатна;
- При данном способе доставки есть возможность оплатить заказ непосредственно нашему сотруднику наличным или безналичным способом;
- В момент доставки наш сотрудник передает Вам полный комплект документов (инструкция по эксплуатации, кассовый и товарный чеки, и заполненный гарантийный талон со штампами);
- Все заказы в г. Екатеринбург и ближайшим городам, доставляются на следующий день после формирования заказа. Срочная доставка оговаривается индивидуально. Возможна доставка курьером в другие регионы и города России.
Бесплатная доставка по России (Акция*)
Товар с отметкой "Бесплатная доставка" бесплатно отправляется в города с присутствием представительств и филиалов транспортных компаний. Список городов т.к КиТ. Продукция поставляется в заводской упаковке, до терминала т.к Вашего города. К данной акции не относятся покупки с доставкой наложенным платежом, а так же способ оплаты банковской картой.
Точную стоимость, сроки доставки можно узнать у менеджера по телефону +7(343) 372-51-73






